1. Thông số kỹ thuật của sản phẩm: Máy hút mùi Bosch DHI655FX
– Tổng công suất của 2 động cơ 200 W
– Đường kính thoát khí 120/150 mm
– Điều khiển điện tử
– 3 tốc độ hút + 1 chế độ Intensive
– Công suất hút tối đa: 790 m³/h, độ ồn tối đa : 58 dB (A)
– Chất liệu bằng graffiti ,màu kim loại bạc
– Bộ lọc bằng nhôm gồm nhiều lớp có thể rửa bằng máy rửa chén
– Bộ lọc hiện chỉ số bão hòa mỡ điện tử
– 2 đèn Halogen chiếu sáng 40W
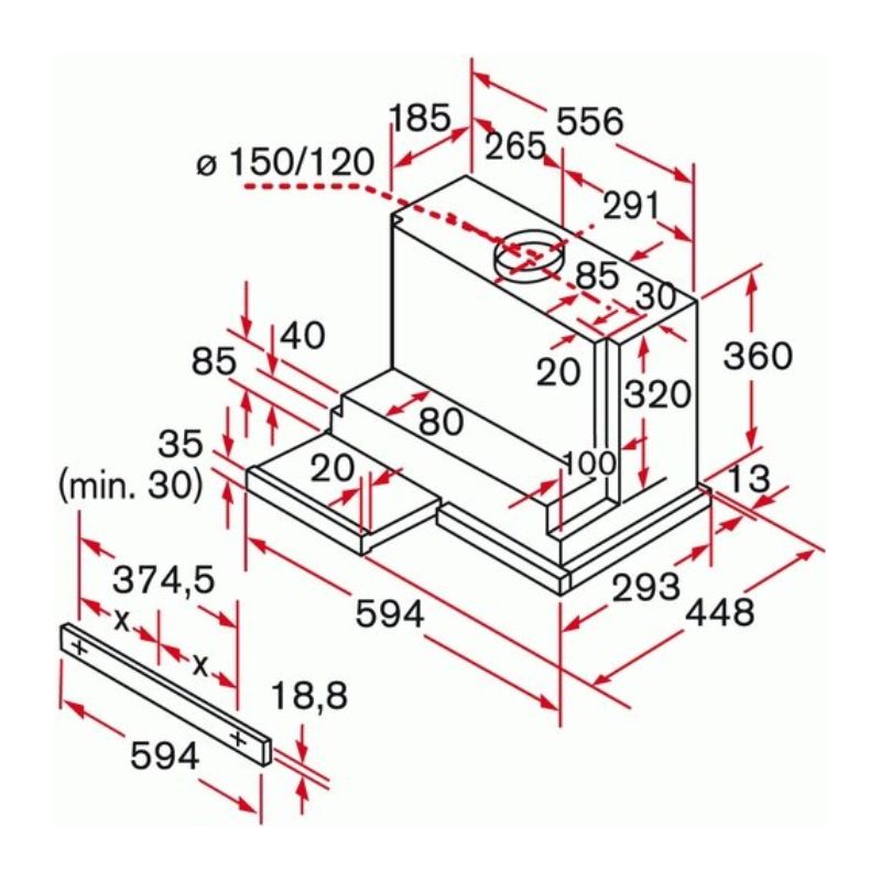
– Kích thước sản phẩm(C x R x S) 465 x 597 x 273 mm
– Kích thước cài đặt(C x R x S) 435 x 556 x 273 mm
2. Tính năng nổi bật của sản phẩm: Máy hút mùi Bosch DHI655FX
– Máy hút mùi Bosch DHI655FX là sản phẩm thuộc đại gia đình máy hút mùi âm tủ Bosch, máy có thiết kế dagj âm tủ, rất thích hợp để lắp đặt cho những không gian bếp nhỏ, công suất hút của máy lên đến 790m3/h trong khi độ ồn chỉ 58dB, hệ thống hút xả có hai chế độ cho bạn lực chọn là tuần hoàn hoặc thông gió.
– Thân máy: Máy hút mùi Bosch DHI655FX được làm bằng chất liệu graffiti ,màu kim loại bạc, không nhiễm từ,với chất liệu này thì bạn không còn phải lo lắng về sự bong tróc của sản phẩm mỗi khi vệ sinh.
– Công suất: Máy hút mùi này chạy bằng động cơ turbin đôi công suất hút của máy đạt 790m3/h. công suất này được đánh giá là hơi thấp, sử dụng hiệu quả đối với những gia đình có không gian rộng, thoáng.
– Độ ồn: Độ ồn của máy hút mùi có sự tương quan với công suất, ở mức công suất vừa phải thì máy chạy rất êm (<58db) không gây ồn ào hay khó chịu cho người sử dụng.
– Điều khiển: Ba tốc độ điều khiển điện tử thêm 1 chế độ Intensive, khi cần bật máy bạn kéo ra để cho hiệu quả hút được tốt nhất.
– Chế độ hút: Hút khử bằng than hoạt tính, định kỳ 6 tháng bạn nên thay than 1 lần để cho hiệu quả khử mùi cao và hút đẩy trực tiếp ra ngoài qua đường ống dẫn.
– Lưới lọc mỡ: Máy hút mùi này có lưới lọc hợp kim có tác dụng tuyệt vời trong ngăn dầu mỡ bám vào động cơ.






Đánh giá
Chưa có đánh giá nào.