Đặc điểm nổi bật
- Giữ tươi lâu hơn – bảo quản và chia nhỏ thực phẩm
- Hương vị đậm đà – ướp thực phẩm
- Chuẩn bị thức ăn để nấu sous-vide
- Dễ dàng xử lý – Điều khiển bằng cảm ứng và đường ray hoàn toàn dạng ống lồng
- Mở ngăn kéo không thể dễ dàng hơn – Push2open
Thông số kỹ thuật
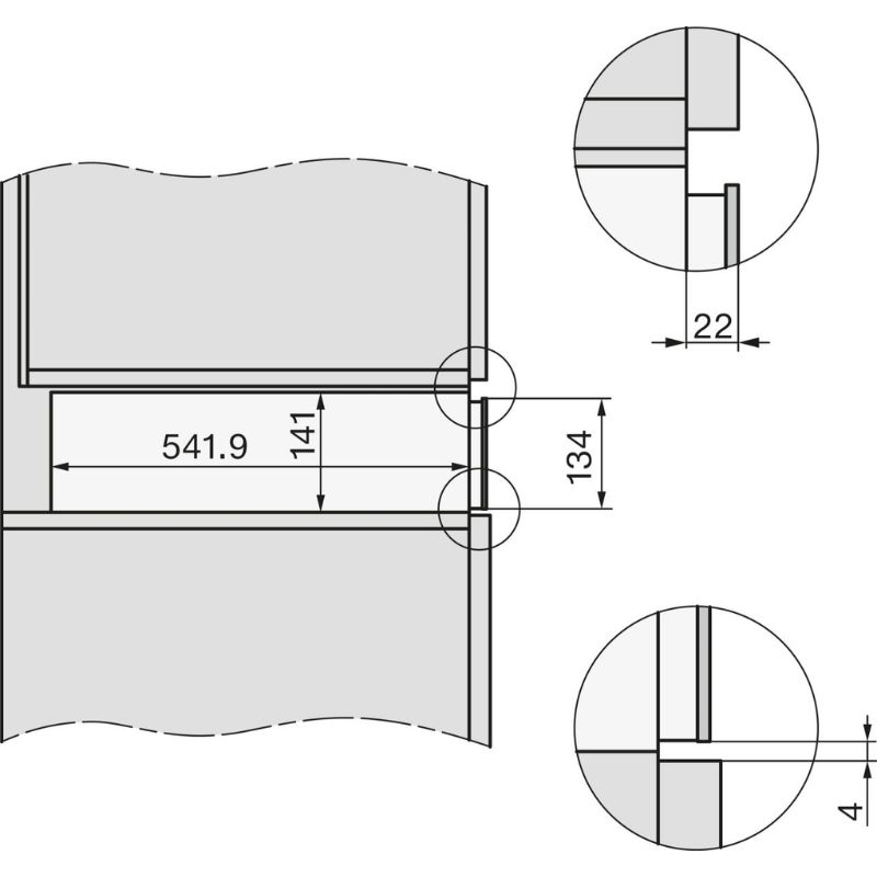
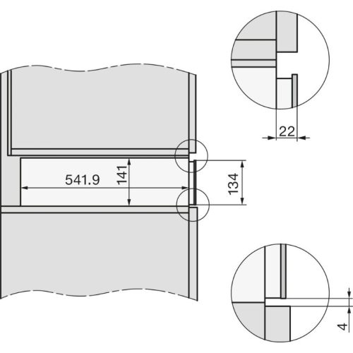
| Kích thước (R x C x S) | 595 x 141 x 570 mm |
| Màu sắc | Xám Graphite (Graphite Grey) |
| Thiết kế | Không tay cầm, mở Push2open |
| Mức độ hút chân không | 3 cấp độ |
| Mức độ niêm phong | 3 cấp độ |
| Hỗ trợ nấu sous-vide | Có |
| Điều khiển | Cảm ứng SensorTouch |
| Ray trượt | Ray trượt toàn phần |
| Dung tích túi hút chân không | Tối đa 250 x 350 mm |
| Thực phẩm lỏng | Hút chân không an toàn |
| Nguồn điện | 230V / 50-60 Hz |
| Công suất tiêu thụ | 320W |
| Cầu chì | 13A |
| Chiều dài dây điện | 2m |
| Phụ kiện đi kèm | Bộ chuyển đổi, giá đỡ túi, 50 túi 180x280mm, 50 túi 240x350mm |










Máy rửa bát Texgio TG-DT2026
Đánh giá
Chưa có đánh giá nào.