Phụ kiện cửa trượt kính Hafele 402.32.032 được thiết kế chuyên dụng cho các hệ cửa kính trượt, mang đến khả năng vận hành nhẹ nhàng, ổn định và độ bền cao theo thời gian. Sản phẩm được gia công chính xác, giúp cánh cửa di chuyển êm ái, hạn chế rung lắc và giảm tiếng ồn trong quá trình sử dụng.
Đặc điểm nổi bật
- Thiết kế cho hệ cửa kính trượt 2 cánh: Đảm bảo chuyển động cân bằng, mượt mà, phù hợp với tủ kính trưng bày, tủ phòng tắm và nhiều không gian nội thất hiện đại.
- Khả năng chịu tải lên đến 25 kg/cặp: Phù hợp với cánh kính kích thước vừa, mang lại cảm giác đóng mở nhẹ và ổn định.
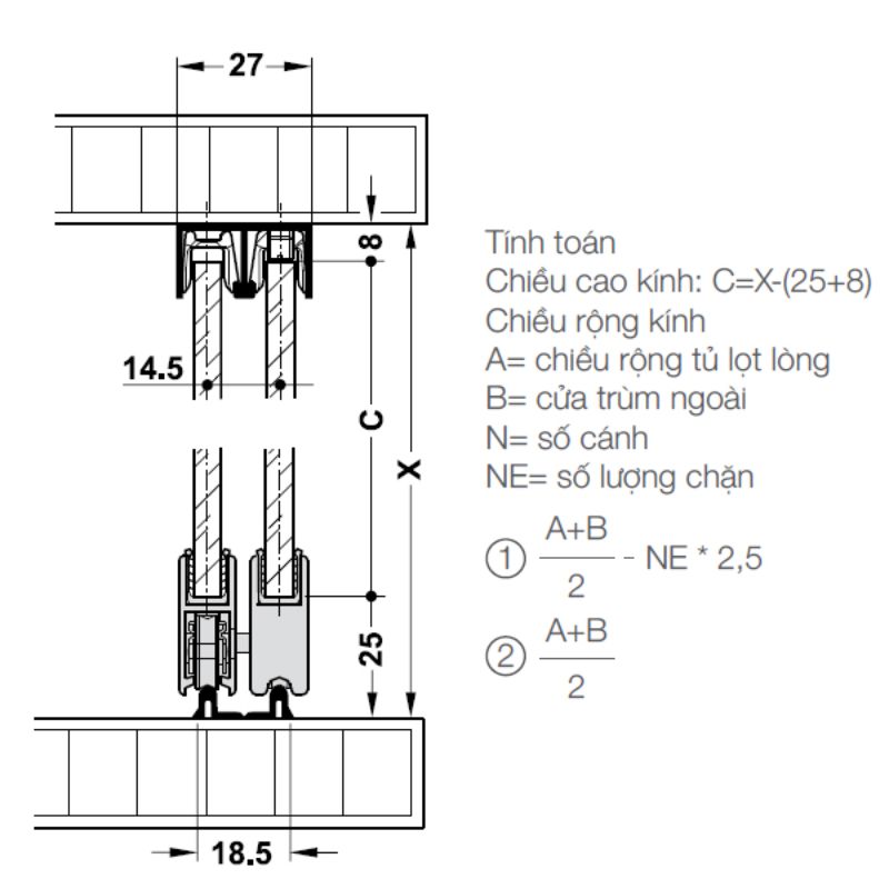
- Thông số kính linh hoạt: Tương thích với cánh kính rộng 600–1.200 mm, cao tối đa 1.400 mm và độ dày kính đến 8 mm, đáp ứng các tiêu chuẩn lắp đặt phổ biến.
- Hệ bánh xe trượt chất lượng cao: Trang bị 3 bánh xe phía trên, bánh xe bọc nhựa kết hợp trục bi giúp giảm ma sát, vận hành êm ái và hạn chế tiếng ồn.
- Lắp đặt đơn giản: Kết cấu gọn gàng, dễ thi công cho hệ tủ kính 2 cánh, tiết kiệm thời gian và công sức.
- Tối ưu thẩm mỹ và không gian: Giải pháp cửa trượt kính hiện đại, mang lại vẻ đẹp tinh tế và giúp tiết kiệm diện tích hiệu quả cho nội thất.










Chậu rửa chén Blanco LEXA 8 Rock Grey
Bếp từ TEKA IZC 63630 BK MST 112500017
Máy rửa chén TEKA LP9 840
Bếp từ Teka IZ 6320 White
Bếp từ Smeg SI5322B 536.04.200
Bếp điện Faber FB - 603E
Chậu đá Hafele JULIUS HS-GD8650 570.35.580
Bếp từ đơn Faber FB INC
Chậu rửa Teka ANGULAR 2B S/ST
BẾP TỪ ĐÔI SPM 828I PRO
Lò vi sóng Samsung MG30T5018CK/SV 30 lít
Máy giặt Bosch WAT28661ES
Bếp điện từ Malloca MH-03IRB S
Tủ bảo quản Cigar Klarstein El Presidente 23L 10036106
Đánh giá
Chưa có đánh giá nào.