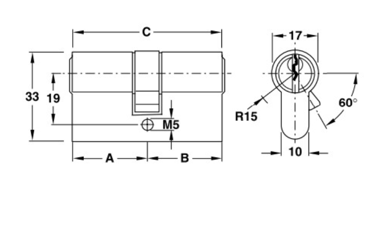
Thông số kĩ thuật của ruột khóa 2 đầu Hafele 916.08.241
- Màu: đồng rêu
- Vật liệu: Đồng thau
- Chiều dài A: 40.5 mm
- Chiều dài B: 40.5 mm
- Chiều dài C: 81 mm
- Dùng cho cửa có độ dày tối đa 40mm
- Trọn bộ gồm: 1 ruột khóa, 3 chìa khóa, 1 vít.
Hotline 1: 0911 007 365
Hotline 2: 0961 007 365
1.294.000₫ Giá gốc là: 1.294.000₫.971.000₫Giá hiện tại là: 971.000₫.
Liên hệ ngay hotline: 091 1007 365
để có giá tốt hơn và nhận Voucher tới 5 triệu
Cam kết xuất xứ & bảo hành chính hãng
Hỗ trợ TRẢ GÓP
Hotline tư vấn (24/7): 0911 007 365 - 0961 007 365
| Bảo hành | 2 năm |
|---|---|
| Thương hiệu | Hafele |
| Xuất xứ | Đức |
Hỗ trợ tư vấn & thiết kế phòng bếp trọn gói với giá cạnh tranh nhất thị trường!
Đánh giá
Chưa có đánh giá nào.