Thanh nhôm màu nhôm S02 Hafele 563.58.933 để lắp ráp khung kính nhôm. Sản phẩm được nhập khẩu và phân phối chính hãng tại Hệ thống Bếp uy tín số 1 Việt Nam
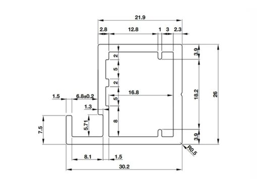
Thông tin của thanh nhôm màu nhôm S02 Hafele 563.58.933
- Mã sản phẩm: 563.58.933
- Loại sản phẩm: Thanh nhôm Hafele
- Danh mục sản phẩm: Phụ kiện Hafele
- Thương hiệu: Hafele
Tính năng nổi bật của thanh nhôm màu nhôm S02 Hafele 563.58.933
- Dòng sản phẩm: Khung kính nhôm
- Chiều dài: 3000 mm
- Lĩnh vực ứng dụng: Để lắp ráp cửa với khung nhôm
- Phiên bản: Đối với kính nổi, kính trang trí, kính an toàn, kính gương cho kính dày 4 mm (với khuôn chống rung) cho kính dày 5 mm (không có khuôn chống rung)






Máy Sấy Thông Hơi Beko 8 Kg DA8112RX0W
Bếp liên hoàn MALLOCA F6099
Bếp điện từ Malloca MH-02IR SB
Bộ rổ giao thớt chai lọ Hafele Kosmo Sonata 549.20.012
Bếp từ ba vùng nấu Malloca MH-03I
Chậu rửa bát inox 2 hố Paul Schmitt PA82455-U
Chậu rửa chén bát Konox Artusi KS11650 1D Bàn phải
Máy hút mùi Eurogold EUH02370
Tivi Google 4K 65 Inch Sony XR-65X90L
Lò nướng điện 7 chức năng Rosieres RFN3151PNE
Bếp lò điện từ thùng Electrolux EKI64500OX
Máy hút Downdraft Dudoff Sunrise Gold
Thùng rác kim loại Hafele 502.12.023 15L
Tủ lạnh Malloca MDRF225WBI
Vòi DUDOFF London ROSE ( XS-058908)
Chậu rửa chén Blanco PLEON 9 Rock Grey
Máy rửa chén Malloca WQP12-9276
Lò nướng Malloca EB - 9BC15
TỦ LẠNH BOSCH KAN58A55
Máy hút mùi kính vát Eurogold EUH0990VM
Đánh giá
Chưa có đánh giá nào.